
立風井防爆門用途:
在礦井中,當采用立井抽出式通風時,在風井鎖口盤上設置了防爆門,它上為了保護通風機而設置的一個重要安全設施。正常情況下,防爆門自由地擱置在風井鎖口盤上。當井下發生瓦斯或煤塵爆炸事故時,高壓氣流頂開防爆門,以降低氣流壓力,從而保護通風機不受破壞。當需要返風時,搬運風壓板壓緊防爆門,可以及時進行返風。防爆門的設計負壓是按《煤炭工業設計規范》中第2—106條規程,大型礦井一般不超過450毫米水柱;煤層容易自燃發火的礦井和中小型礦井,一般不超過350毫米水柱。

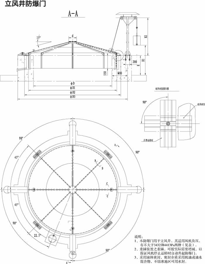
立風井防爆門結構及安裝:
立風井防爆門是由門體,重錘裝置,返風裝置,注油小井四部分組成,參看附圖:
一.門體結構
采用錐角為30度的截錐形圓錐殼體頂蓋結構,圓筒形立壁及外密封圈等三部分焊接為一體。由于門體較大,將門體分別分成四塊和八塊兩種組合方式。塊與塊之間的聯接采用角鋼搭焊并夾以膠墊(立壁部分用石棉墊)用螺栓緊固。參看附圖。
二.重錘部分
這部分裝置由支架、重錘、滑輪罩組成。重錘的配重按一下原則考慮:當風機停風時,門能自動打開;門關閉時要取下一定數量的重
錘才能使門體復位。重錘的行程分別按門的開啟高度1米和1.5米來確定。
1.支架
在支架上設有兩個滑輪,滑輪位置應使懸掛鋼絲繩斜度最小或接近垂直,以減少重錘重量和門體打開過程中力矩的變化,便于啟動。滑輪采用含油軸承,以藏家其轉動靈活性。
2.重錘
為了不使支架過高,重錘塊的直徑按門的大小不同采用兩種規格,每個防爆門設四組重錘。
3.滑輪罩
重錘支架上設有滑輪罩可以遮擋雨雪,防止生銹。滑輪罩由圓弧形板及圓鋼支承組成,焊接在支架的兩側角鋼上。
立風井防爆門返風裝置
返風裝置的橫梁為槽鋼,是鋼板焊接件,套在鎖口盤預埋螺栓上。返風時,將橫梁提起轉90度,使一端壓在們提上,另一端壓在預埋在鎖口盤面得鋼板上,再上緊螺母即可。
立風井防爆門注油小井
注油小井是為觀察密封油或水位變化情況和補充油而設置的。注油小井上設有金屬油圈及蓋板,并設有一油標以便控制油位。為了方便清洗油槽內沉淀雜物,設有兩個清洗孔(密封介質可以用油水混合物),結構特征參見附圖。
